ESCALAS E DIMENSIONAMENTO
Introdução
Ainda que o principal objetivo deste livro seja preparar para a leitura e interpretação de desenho técnico, é necessário abordar os princípios básicos de dimensionamento, porque o exercício da engenharia poderá requerer a execução de esboços cotados.
Não se pode esquecer que, na área da engenharia, o meio utilizado para expor o resultado de um projeto resultante de estudos e cálculos é o desenho técnico e, assim sendo, os engenheiros, de qualquer modalidade, no mínimo precisam estar preparados para elaborar esboços cotados. Esboço cotado é um desenho técnico feito a mão-livre, no qual, além da representação da forma, estão contidas todas as dimensões do objeto.
Desta forma, os assuntos referentes ao dimensionamento dos objetos representados serão apresentados, neste capítulo, visando não só a interpretação de desenhos mas também a sua elaboração.
Escalas
Como o desenho técnico é utilizado para representação de máquinas, equipamentos, prédios e até unidades inteiras de processamento industrial, é fácil concluir que nem sempre será possível representar os objetos em suas verdadeiras grandezas. Assim, para viabilizar a execução dos desenhos, os objetos grandes precisam ser representados com suas dimensões reduzidas, enquanto os objetos, ou detalhes, muito pequenos necessitarão de uma representação ampliada.
Para evitar distorções e manter a proporcionalidade entre o desenho e o tamanho real do objeto representado, foi normalizado que as reduções ou ampliações devem ser feitas respeitando uma razão constante entre as dimensões do desenho e as dimensões reais do objeto representado.
A razão existente entre as dimensões do desenho e as dimensões reais do objeto é chamada de escala do desenho.
É importante ressaltar que, sendo o desenho técnico uma linguagem gráfica, a ordem da razão nunca pode ser invertida, e a escala do desenho sempre será definida pela relação existente entre as dimensões lineares de um desenho com as respectivas dimensões reais do objeto desenhado.
DIMENSÃO DO DESENHO : DIMENSÃO REAL DO OBJETO
Para facilitar a interpretação da relação existente entre o tamanho do desenho e o tamanho real do objeto, pelo menos um dos lados da razão sempre terá valor unitário, que resulta nas seguintes possibilidades:
• 1 : 1 para desenhos em tamanho natural – Escala Natural
• 1 : n > 1 para desenhos reduzidos – Escala de Redução
• n > 1 : 1 para desenhos ampliados – Escala de Ampliação
A norma NBR 8196 da ABNT recomenda, para o Desenho Técnico, a utilização das seguintes escalas:
A indicação é feita na legenda dos desenhos utilizando a palavra ESCALA, seguida dos valores da razão correspondente.
Quando, em uma mesma folha, houver desenhos com escalas diferentes daquela indicada na legenda, existirá abaixo dos respectivos desenhos a identificação das escalas utilizadas.
Dimensionamento
O desenho técnico, além de representar, dentro de uma escala, a forma tridimensional, deve conter informações sobre as dimensões do objeto representado. As dimensões irão definir as características geométricas do objeto, dando valores de tamanho e posição aos diâmetros, aos comprimentos, aos ângulos e a todos os outros detalhes que compõem sua forma espacial.
A forma mais utilizada em desenho técnico é definir as dimensões por meio de cotas que são constituídas de linhas de chamada, linha de cota, setas e do valor numérico em uma determinada unidade de medida, conforme mostra a Figura 6.1
As cotas devem ser distribuídas pelas vistas e dar todas as dimensões necessárias para viabilizar a construção do objeto desenhado, com o cuidado de não colocar cotas desnecessárias.
As cotas devem ser colocadas uma única vez em qualquer uma das vistas que compõem o desenho, localizadas no local que representa mais claramente o elemento que está sendo cotado, conforme mostram as Figuras 6.2 e 6.3.
Na Figura 6.2, o dimensionamento do rasgo existente na parte superior da peça pode ser feito somente na vista lateral esquerda ou com cotas colocadas na vistas de frente e na vista superior. Observe que as cotas da vista lateral esquerda definem as dimensões com muito mais clareza.
Para facilitar a leitura do desenho, as medidas devem ser colocadas com a maior clareza possível evitando-se, principalmente, a colocação de cotas referenciadas às linhas tracejadas.
Na Figura 6.3 pode-se observar que as cotas colocadas na vista de frente representam as respectivas dimensões com muito mais clareza do que as cotas colocadas nas vistas superior e lateral esquerda.
Não devem existir cotas além das necessárias para definir as medidas do objeto. O dimensionamento ou localização dos elementos deve ser cotado somente uma vez, evitando-se cotas repetidas.
Todas as cotas de um desenho ou de um conjunto de desenhos de uma mesma máquina ou de um mesmo equipamento devem ter os valores expressos em uma mesma unidade de medida, sem indicação do símbolo da unidade de medida utilizada. Normalmente, a unidade de medida mais utilizada no desenho técnico é o milímetro.
Quando houver necessidade de utilizar outras unidades, além daquela predominante, o símbolo da unidade deve ser indicado ao lado do valor da cota.
A Figura 6.4 mostra a utilização
de unidades diferentes. Enquanto a maioria das cotas está em milímetro e sem indicação da unidade utilizada, o comprimento da peça, na vista de frente, está cotado em centímetro, bem como a largura, na vista lateral, e o diâmetro do furo, na vista superior, estão em polegadas.
A Figura 6.4 também mostra a utilização de cota com tolerância de erro admissível para uma determinada dimensão. A cota de 20±0,1 significa que, no processo de fabricação, a dimensão da peça poderá variar de 19,9 a até 20,1.
Na prática, a escolha das cotas ou a colocação de tolerâncias para limitar os erros dependerá dos processos utilizados na fabricação do objeto e também da sua utilização futura.
A Figura 6.5 mostra que as dimensões do recorte que aparece na vista de frente pode ser cotado valorizando o espaço retirado [Figura 6.5 (a)], ou pode ser cotado dando maior importância às dimensões das partes que sobram após o corte [Figura 6.5 (b)].
Outro exemplo de destaque da importância de uma determinada dimensão é a localização do furo em relação ao comprimento da peça, que na Figura 6.5 (a) é feito pela face esquerda com a cota de 25, enquanto na Figura 6.5 (b) é feito pela face direita com a cota de 55.
De acordo com as dimensões de maior importância, o construtor da peça fará o direcionamento dos erros conseqüentes dos processos de fabricação e a opção por um dos tipos exemplificados na Figura 6.5 será feita em função da utilização ou do funcionamento da peça.
A cotagem funcional e a definição de tolerâncias são matérias específicas da tecnologia de construção de máquinas e de equipamentos, que fogem dos objetivos deste livro.
Conforme já foi colocado na introdução deste capítulo, a meta é tratar o dimensionamento de objetos somente com o objetivo de preparar os estudantes de engenharia para a elaboração de esboços cotados.
Regras para Colocação de Cotas
A Figura 6.6 mostra que tanto as linhas auxiliares (linhas de chamada), como as linhas de cota, são linhas contínuas e finas. As linhas de chamadas devem ultrapassar levemente as linhas de cota e também deve haver um pequeno espaço entre a linha do elemento dimensionado e a linha de chamada.
As linhas de chamada devem ser, preferencialmente, perpendiculares ao ponto cotado. Em alguns casos, para melhorar a clareza da cotagem, as linhas de chamada podem ser oblíquas em relação ao elemento dimensionado, porém mantendo o paralelismo entre si, conforme mostra a Figura 6.6 (c).
As linhas de centro ou as linhas de contorno podem ser usadas como linhas de chamada, conforme mostra a Figura 6.6 (b). No entanto, é preciso destacar que as linhas de centro ou as linhas de contorno não devem ser usadas como linhas de cota.
O limite da linha de cota pode ser indicado por setas, que podem ser preenchidas ou não, ou por traços inclinados, conforme mostra a Figura 6.7. A maioria dos tipos de desenho técnico utiliza as setas preenchidas. Os traços inclinados são mais utilizados nos desenhos arquitetônicos.
Em um mesmo desenho a indicação dos limites da cota deve ser de um único tipo e também deve ser de um único tamanho. Só é permitido utilizar outro tipo de indicação de limites da cota em espaços muito pequenos, conforme mostra a Figura 6.8.
Havendo espaço disponível, as setas que limitam a linha de cota ficam por dentro da linha de chamada com direções divergentes, conforme são apresentadas nas cotas de 15, 20 e 58 da Figura 6.8. Quando não houver espaço suficiente, as setas serão colocadas por fora da linha de cota com direções convergentes, exemplificadas pelas cotas de 7, 8 e 12 também na Figura 6.8. Observe que a cota de 12 utiliza como seu limite uma das setas da cota de 15.
Quando o espaço for muito pequeno, como é o caso das cotas de 5, os limites da cota serão indicados por uma seta e pelo traço inclinado.
Na cotagem de raios, o limite da cota é definido por somente uma seta que pode estar situada por dentro ou por fora da linha de contorno da curva, conforme está exemplificado na Figura 6.9.
Os elementos cilíndricos sempre são dimensionados pelos seus diâmetros e localizados pelas suas linhas de centro, conforme mostra a Figura 6.10.
Para facilitar a leitura e a interpretação do desenho, deve-se evitar colocar cotas dentro dos desenhos e, principalmente, cotas alinhadas com outras linhas do desenho, conforme mostra a Figura 6.11.
Outro cuidado que se deve ter para melhorar a interpretação do desenho é evitar o cruzamento de linha da cota com qualquer outra linha.
As cotas de menor valor devem ficar por dentro das cotas de maior valor, para evitar o cruzamento de linhas de cotas com as linhas de chamada, conforme mostra a Figura 6.12.
Sempre que possível, as cotas devem ser colocadas alinhadas, conforme mostram as Figuras 6.13 e 6.14.
Os números que indicam os valores das cotas devem ter um tamanho que garanta a legibilidade e não podem ser cortados ou separados por qualquer linha.
A Norma NBR 10126 da ABNT fixa dois métodos para posicionamento dos valores numéricos das cotas.
O primeiro método, que é o mais utilizado, determina que:
• nas linhas de cota horizontais o número deverá estar acima da linha de cota, conforme mostra a Figura 6.15 (a);
• nas linhas de cota verticais o número deverá estar à esquerda da linha de cota, conforme mostra a figura 6.15 (a);
• nas linhas de cota inclinadas deve-se buscar a posição de leitura, conforme mostra a Figura 6.15 (b).
Pelo segundo método, as linhas de cota são interrompidas e o número é intercalado no meio da linha de cota e, em qualquer posição da linha de cota, mantém a posição de leitura com referência à base da folha de papel, conforme mostra a Figura 6.16.
As Figuras 6.17 (a) e (b) mostram, respectivamente, a cotagem de ângulos pelos dois métodos normalizados pela ABNT. A linha de cota utilizada na cotagem de ângulos é traçada em arco cujo centro está no vértice do ângulo.
Para melhorar a leitura e a interpretação das cotas dos desenhos são utilizados símbolos para mostrar a identificação das formas cotadas, conforme mostra a tabela 6.1.
Os símbolos devem preceder o valor numérico da cota, como mostram as Figuras 6.18 (a), (b), (c), (d) e (e).
Quando a forma do elemento cotado estiver claramente definida, os símbolos podem ser omitidos, conforme mostram as Figuras 6.19 (a) e (b).
Tipos de Cotagem
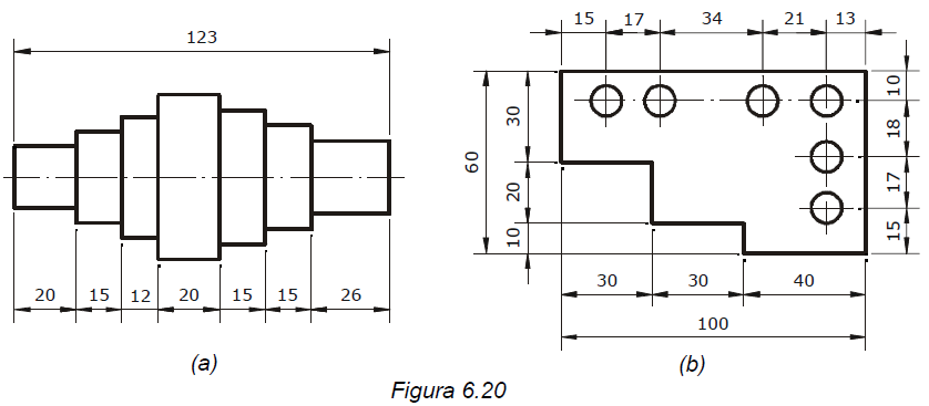
As cotas podem ser colocadas em cadeia ( cotagem em série), na qual as cotas de uma mesma direção são referenciadas umas nas outras, como mostram as Figuras 6.20 (a) e (b), ou podem ser colocadas tendo um único elemento de referência, como mostram as Figuras 6.21 (a) e (b).
Na cotagem em série, mostrada nas Figuras 6.20 (a) e (b), durante os processos de fabricação da peça, ocorrerá a soma sucessiva dos erros cometidos na execução de cada elemento cotado, enquanto no tipo de cotagem mostrado nas Figuras 6.21 (a) e (b) como todas as cotas, de uma determinada direção, são referenciadas ao mesmo elemento de referência, não ocorrerá a soma dos erros cometidos na execução de cada cota.
A cotagem por elemento de referência, mostrada nas Figuras 6.21 (a) e (b), é chamada de cotagem em paralelo.
Outro tipo de cotagem por elemento de referência é a cotagem aditiva. A cotagem aditiva é uma variação simplificada da cotagem em paralelo, que pode ser usada onde houver problema de espaço.
Na prática a cotagem aditiva não é muito utilizada porque existe a possibilidade de dificultar a interpretação do desenho e conseqüentemente gerar problemas na construção da peça. A Figura 6.22 mostra o desenho da Figura 6.21
(b) utilizando cotagem aditiva ao invés da cotagem em paralelo.
A origem é localizada no elemento de referência e as cotas dos outros elementos da peça são colocadas na frente de pequenas linhas de chamadas que vinculam a cota ao seu respectivo elemento.
Conforme já foi mencionada anteriormente, a escolha do tipo de cotagem está diretamente vinculada à fabricação e à futura utilização do objeto e, como em quase todos os objetos existem partes que exigem uma maior precisão de fabricação e também existem partes que admitem o somatório de erros sucessivos, na prática é muito comum a utilização combinada da cotagem por elemento de referência com a cotagem em série, conforme mostra a Figura 6.23.
Cotagem de Cordas e Arcos
A diferença entre a cotagem de cordas e arcos é a forma da linha de cota. Quando o objetivo é definir o comprimento do arco, a linha de cota deve ser paralela ao elemento cotado.
A Figura 6.24 mostra na parte superior (cota de 70) a cotagem de arco e na parte inferior (cota de 66) a cotagem de corda.
Cotagem de Ângulos, Chanfros e Escareados
Para definir um elemento angular são necessárias pelo menos duas cotas, informando os comprimentos de seus dois lados ou o comprimento de um dos seus lados associados ao valor de um dos seus ângulos, conforme mostra a Figura 6.25 (a). Quando o valor do ângulo for 45°, resultará em ângulos iguais e lados iguais e, nesta situação, pode-se colocar em uma única linha de cota o valor dos dois lados ou de um lado associado ao ângulo, como mostra a Figura 6.25 (b).
Da mesma forma, os cantos vivos dos furos também são quebrados com pequenas superfícies inclinadas, que no caso dos furos são chamadas de escareados. A cotagem dos escareados segue os princípios da cotagem de elementos angulares e está exemplificada na Figura 6.27
Cotagem de Elementos Eqüidistantes e/ou Repetidos
A cotagem de elementos eqüidistantes pode ser simplificada porque não há necessidade de se colocar todas as cotas. Os espaçamentos lineares podem ser cotados indicando o comprimento total e o número de espaços, conforme mostra a Figura 6.28 (a). Para evitar problemas de interpretação, é conveniente cotar um dos espaços e informar a dimensão e a quantidade de elementos.
Os espaçamentos eqüidistantes angulares podem ser cotados indicando somente o valor do ângulo de um dos espaços e da quantidade de elementos, conforme mostra a Figura 6.28 (b).
Quando os espaçamentos não forem eqüidistantes, será feita a cotagem dos espaços, indicando a quantidade de elementos, conforme mostram as Figuras 6.29
(a) e (b).
Cotagem de objetos em Meio Corte
Sabendo que as vistas em Meio Corte só podem ser utilizadas para representar objetos simétricos, conclui-se que a metade que aparece cortada também existe no lado não cortado e vice-versa.
Desta forma, as vistas em Meio Corte podem ser utilizadas para cotagem do objeto utilizando linhas de cota somente com uma seta indicando o limite da cota na parte que aparece em corte, conforme mostra a Figura 6.30.
A ponta da linha de cota que não tem seta deve se estender ligeiramente além do eixo de simetria.
Exercícios Resolvidos
Exercícios Propostos
Dadas as perspectivas, desenhe à mão livre as projeções ortogonais devidamente cotadas (arbitrar valores para as cotas).
Dadas as perspectivas, desenhe à mão livre as projeções ortogonais aplicando os cortes indicados e faça a cotagem das vistas (arbitrar valores para as cotas).
Link 2 => Leitura e Interpretação de Desenhos Técnicos #2
Link 3 => Leitura e Interpretação de Desenhos Técnicos #3
Link 4 => Leitura e Interpretação de Desenhos Técnicos #4
Link 5 => Leitura e Interpretação de Desenhos Técnicos #5
Link 6 => Leitura e Interpretação de Desenhos Técnicos #6
Link 8 => Leitura e Interpretação de Desenhos Técnicos #8




































0 comentários :
Postar um comentário